基本情報
| モデル名 | DS-1475ZJ-SUS |
|---|---|
| 製品名 | ポール取付金具 |
| 特徴 | 表面にスプレー処理を施したステンレス鋼製
直径は67 mmから127 mmまで調整可能 |
製品ドキュメント
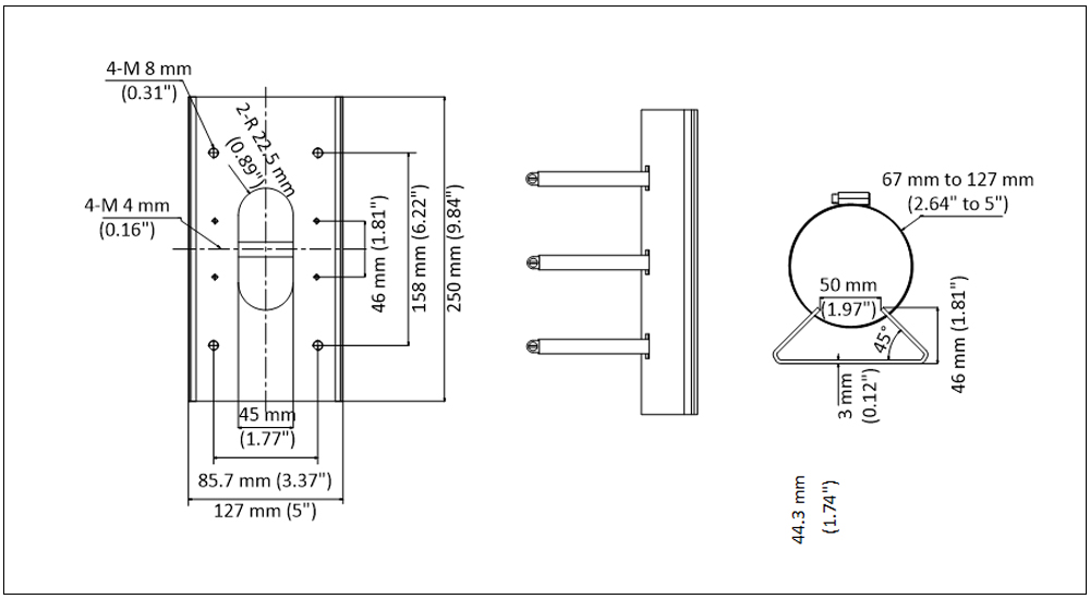
寸法図
仕様
| カラー | Hikvisionホワイト |
|---|---|
| 材質 | ステンレス鋼 |
| 寸法 | 250 mm × 127 mm × 46 mm |
| 重量 | 1285 g |
注意事項
● 屋外での使用には防水ゴムが必要です。● ポールは、カメラとマウントを合わせた総重量の3倍以上の重量を支持できる強度が必要です。
● マウントの最大耐荷重は10 kgです。

